|
|
华为TP481000T-N20A1交流配电单元技术参数,华为TP481000T通信电源,华为TP48高频开关电源不间电源20KVA机架式1户外通信电源机柜,室外一体化电池仓,ETC机柜,外一体化电池仓机柜高速ETC机柜,前后开门机柜,室外通信机柜,铁塔基站机柜2室外通信电源机柜,室外电池仓,3室外一体化机柜,户外通信机柜 4室外空调机柜,空调机柜,户外机柜,户外设备机柜,5G户外一体化机柜,室外电源机柜,室外设备机柜,室外综合机柜,户外防水机柜,室外恒温机柜,室外网络设备机柜,室外交换机机柜,直流空调机柜,楼顶机柜,落地机柜,交流空调机柜,嵌入式电源 锂电池 直流电源 交流电源 UPS 嵌入式通信电源系统 户外电源系统 组合式电源系统 挂墙式电源系统 直流远供电源系统 直流通信电源系统高频通信电源模块 整流模块 整流器 监控单元 监视器室外柜 网络机柜 锂电池 UPS 高频开关电源 通信电源 嵌入式电源 网络机柜 室内机柜 锂电www.zjjjdy.com.cn www.hwtxdy.net
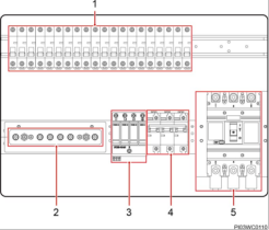
(1)整流模块的交流输入空开 (2)N 接线排 (3)交流防雷器 (4)防雷器空开 (5)交流输入空开
表3-1 标准交流配电规格
华为TP481000T-N20A1交流配电单元技术参数,华为TP481000T通信电源,华为TP48高频开关电源不间电源20KVA机架式1户外通信电源机柜,室外一体化电池仓,ETC机柜,外一体化电池仓机柜高速ETC机柜,前后开门机柜,室外通信机柜,铁塔基站机柜2室外通信电源机柜,室外电池仓,3室外一体化机柜,户外通信机柜 4室外空调机柜,空调机柜,户外机柜,户外设备机柜,5G户外一体化机柜,室外电源机柜,室外设备机柜,室外综合机柜,户外防水机柜,室外恒温机柜,室外网络设备机柜,室外交换机机柜,直流空调机柜,楼顶机柜,落地机柜,交流空调机柜,嵌入式电源 锂电池 直流电源 交流电源 UPS 嵌入式通信电源系统 户外电源系统 组合式电源系统 挂墙式电源系统 直流远供电源系统 直流通信电源系统高频通信电源模块 整流模块 整流器 监控单元 监视器室外柜 网络机柜 锂电池 UPS 高频开关电源 通信电源 嵌入式电源 网络机柜 室内机柜 锂电www.zjjjdy.com.cn www.hwtxdy.net |
|||||||||||||||||||||||



