|
|
华为TP481000T-N20A1交流配电单元技术参数,华为TP481000T通信电源,华为TP48高频开关电源通信电源.PDU配电单元.锂电池.充电桩模块.蓄电池.电池开关箱.一体化UPS电源.UPS电源.不间断电源.逆变器.精密空调.通信电源.开关电源.嵌入式电源.室外机柜.户外机柜.壁挂电源.网络机柜.服务器机柜.交换机机柜.列头柜.配电箱.一体化机柜.48V通信电源.24V通信电源.分立式通信电源.组合式通信电源.监控模块.整流模块.ATS自动切换,通信电源.开关电源.高频开关电源 .5G室外通信电源柜.室外柜.户外机柜.室外一体化电源.通信电源柜..壁挂通信电源.分立式通信电源柜.一体化电源柜.网络机柜.服务器机柜.交换机机柜.冷风通道机柜.列头柜..交流配电柜.不间断UPS电源.锂电池.蓄电池.精密空调.嵌入式电源.PDU配电单元.配电箱.充电桩模块.整流模块.监控模块.外机柜.室内机柜.壁挂电源.高频开关电源.冷风通道机柜.不间断UPS电源.整流模块.UPS模块.高频开关电源柜. 充电桩模块.5G室外一体化机柜.室内一体化机柜.监控单元.UPS旁路电源.OLT传输机柜.嵌入式电源.室外电池仓.不间断电源20KV UPS.ETC机柜.锂电池.网络机柜.整流器.楼顶机柜.室外综合机柜.三合一高频开关电源机柜.直流远供电电源系统.落地机柜.交流电源系统.室内电池柜.高压开关电源ETP48200 ETP48400 ETP48600华为TP481000T-N20A1交流配电单元技术参数,华为TP481000T通信电源,华为TP48高频开关电源通信电源.PDU配电单元.锂电池.充电
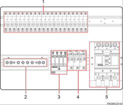
(1)整流模块的交流输入空开 (2)N 接线排 (3)交流防雷器 (4)防雷器空开 (5)交流输入空开
表3-1 标准交流配电规格
桩模块.蓄电池.电池开关箱.一体化UPS电源.UPS电源.不间断电源.逆变器.精密空调.通信电源.开关电源.嵌入式电源.室外机柜.户外机柜.壁挂电源.网络机柜.服务器机柜.交换机机柜.列头柜.配电箱.一体化机柜.48V通信电源.24V通信电源.分立式通信电源.组合式通信电源.监控模块.整流模块.ATS自动切换,通信电源.开关电源.高频开关电源 .5G室外通信电源柜.室外柜.户外机柜.室外一体化电源.通信电源柜..壁挂通信电源.分立式通信电源柜.一体化电源柜.网络机柜.服务器机柜.交换机机柜.冷风通道机柜.列头柜..交流配电柜.不间断UPS电源.锂电池.蓄电池.精密空调.嵌入式电源.PDU配电单元.配电箱.充电桩模块.整流模块.监控模块.外机柜.室内机柜.壁挂电源.高频开关电源.冷风通道机柜.不间断UPS电源.整流模块.UPS模块.高频开关电源柜. 充电桩模块.5G室外一体化机柜.室内一体化机柜.监控单元.UPS旁路电源.OLT传输机柜.嵌入式电源.室外电池仓.不间断电源20KV UPS.ETC机柜.锂电池.网络机柜.整流器.楼顶机柜.室外综合机柜.三合一高频开关电源机柜.直流远供电电源系统.落地机柜.交流电源系统.室内电池柜.高压开关电源ETP48200 ETP48400 ETP48600 |
|||||||||||||||||||||||



